一、简介
GBB1-63高分断小型断路器适用于交注50/60HZ额定电压230V/400V,额定电流至63A线路的过载和短路保护之用,也可以在正常性情况下作为线路的不频繁操作转换之用。
二、产品型号及其含义
一、主要规格及技术参数
◆ 主要规格
◆ 按额定电流分:
1A 2A 3A 4A 6A 10A 16A 20A 25A 32A、40A、50A、63A
◆ 按瞬时脱扣器分:
B型(3-5)In、C型(5-10)In、D型(10-14)In;
◆ 按极数分:
1P单极断路器
2P带二个保护极断路器
3P带三个保护极断路器
4P带四个保护极断路器
◆ 技术参数
◆ 额定短路分断能力(见表1)
表1
|
额定电流A |
极数 |
额定电压V |
额定短路 分断电流A |
功率因数 COSΦ |
|
1-63A |
1 |
230,230/400V |
6000A |
0.7 |
|
2、3、4 |
230/400V |
6000A |
0.7 |
◆ 机械电气寿命(见表2)
表2
|
额定电流 A |
电气寿命 (次) |
机械寿命 (次) |
操作频率 (次/时) |
|
1 |
4000 |
10000 |
240 |
|
2、3、4 |
4000 |
10000 |
120 |
◆ 接线:适用于25平方毫米以下导线连接(见表3)
表3
|
额定电流A |
连接导线(m㎡) |
|
1-6 |
1 |
|
10 |
1.5 |
|
16、20 |
2.5 |
|
25 |
4 |
|
32 |
6 |
|
40、50 |
10 |
|
63 |
16 |
◆ 过电流保护特性(见表4)
|
序号 |
脱扣器频定电流A |
起始状态 |
试验 电流 |
规定时间 |
试验结果 |
备 注 |
|
1 |
1-63 |
冷态 |
1.13In |
t≥1h |
不脱扣 |
|
|
2 |
1-63 |
紧接着前项试验后进行 |
1.45In |
t<1h |
脱扣 |
电流在5s内稳定地上升至规定值 |
|
3 |
1-63 |
冷态 |
2.55In |
Is<t<60s |
脱扣 |
|
|
冷态 |
2.55In |
Is<t<60s |
脱扣 |
|
||
|
4 |
1-63 |
冷态 |
3In |
t≥0.1s |
不脱扣 |
B型 |
|
冷态 |
5In |
t<0.1s |
脱扣 |
B型 |
||
|
冷态 |
5In |
t≥0.1s |
不脱扣 |
C型 |
||
|
冷态 |
10In |
t<0.1s |
脱扣 |
C型 |
||
|
冷态 |
10In |
t≥0.1s |
不脱扣 |
D型 |
||
|
冷态 |
14In |
t<0.1s |
脱扣 |
D型 |
一、主要技术参数
额定短路分断能力高,全部额定电流等级均可达到6KA以上。
带指触防护组合型接线端子,安全性更高。
带储能式机构操作,触点快速闭合,克服了因人力操作手柄速度快慢带来了不利影响,大大提高了产品的使用寿命。
多种附件可供选择,且模块化、弹性组合,用户安装非常方便。
壳体和部分功能件均采用国外进口的高阻燃、高耐冲击塑料制成。
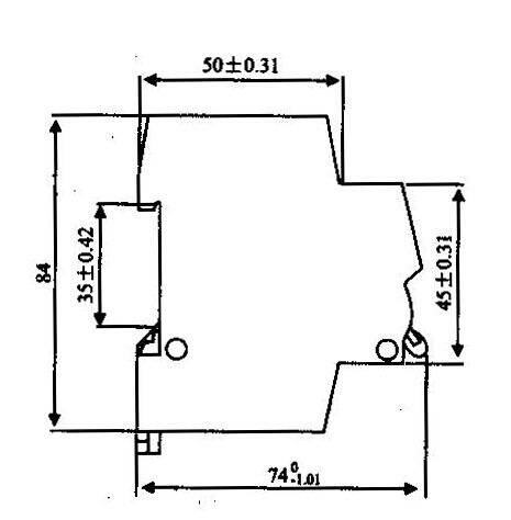
二、外形及安装尺寸
